Zum starten des verbrennungsmotors ist ein elektrischer motor, der anlasser, erforderlich. Damit der motor überhaupt anspringen kann, muss der anlasser den verbrennungsmotor auf eine drehzahl von mindestens 300 umdrehungen in der minute beschleunigen. Das funktioniert aber nur, wenn der anlasser einwandfrei arbeitet und die batterie hinreichend geladen ist.
Da zum starten eine hohe stromaufnahme erforderlich ist, ist im rahmen der wartung auf eine einwandfreie kabelverbindung zu achten. Korrodierte anschlüsse säubern und mit polschutzfett einstreichen.
Hinweis: den anlasser gibt es auch als austauschteil.
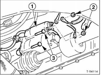
Ausbau
Achtung: dadurch werden elektronische speicher gelöscht, wie zum beispiel der radiocode. Das radio kann anschließend nur durch die eingabe des richtigen codes oder durch die fachwerkstatt wieder in betrieb genommen werden. Vor dem abklemmen daher unbedingt den diebstahlcode ermitteln.

Sicherheitshinweis
Beim aufbocken des fahrzeugs besteht unfallgefahr! Deshalb vorher das kapitel "fahrzeug aufbocken" durchlesen.


Einbau
Luftkanal am luftfilter anschließen und mit schellen befestigen.
Magnetschalter aus- und einbauen
Ausbau


Einbau
Sicherheits- und sauberkeitsregeln bei
arbeiten an der kraftstoffversorgung
Bei arbeiten an der kraftstoffversorgung sind die folgenden
regeln zur sicherheit und sauberkeit sorgfältig zu beachten:
Sicherheitshinweise
Kein offenes feuer, nicht rauchen, keine glühenden
oder sehr heißen teile in die nähe des arbeitsplatzes
...
Auswuchten von rädern
Die serienmäßigen räder werden im werk ausgewuchtet.
Das auswuchten ist notwendig, um unterschiedliche gewichtsverteilung
und materialungenauigkeiten auszugleichen.
Im fahrbetrieb macht sich die unwucht durch trampel- und
flattererscheinungen bemerkba ...