Falls bei reparaturen der zylinderkopf, die zylinderkopfdichtung, der kühler, der wärmetauscher oder der motor ersetzt wurden, muss die kühlflüssigkeit auf jeden fall ersetzt werden.
Das ist erforderlich, weil sich die korrosionsschutzanteile in der einlaufphase an den neuen leichtmetallteilen absetzen und somit eine dauerhafte korrosionsschutzschicht bilden.
Bei gebrauchter kühlflüssigkeit ist der korrosionsschutzanteil in der regel nicht mehr groß genug, um eine ausreichende schutzschicht an den neuen teilen zu bilden.
Ein wechsel des kühlmittels im rahmen der wartung ist nicht erforderlich.
Achtung: kühlflüssigkeit ist leicht giftig und sollte nicht einfach weggeschüttet werden. Daher bei der örtlichen kommunalverwaltung anfragen, wo sich die nächste sondermüll- sammelstelle befindet beziehungsweise wie die kühlflüssigkeit entsorgt werden soll.
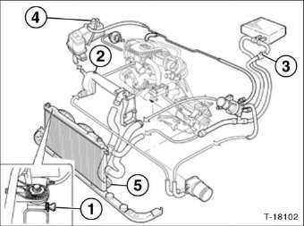
Hinweis: die beschreibung bezieht sich auf den 1,2-l-motor, abweichungen bei den anderen motoren stehen am ende des kapitels.
Ablassen
Sicherheitshinweis
Beim aufbocken des fahrzeugs besteht unfallgefahr! Deshalb vorher das kapitel "fahrzeug aufbocken" durchlesen.
Sicherheitshinweis
Bei heißem motor vor dem öffnen des ausgleichbehälters einen dicken lappen auflegen, um verbrühungen durch heiße kühlflüssigkeit oder dampf zu vermeiden.
Deckel nur bei kühlmitteltemperaturen unter +90 c abnehmen.
Deckel etwas nach links drehen und eventuellen überdruck im kühlsystem entweichen lassen. Anschließend deckel ganz abschrauben.
Achtung: falls die zylinderkopfdichtung erneuert wurde, motor vor der prüfung auf betriebstemperatur bringen und abkühlen lassen. Dadurch wird die dichtheit der zylinderkopfdichtung sichergestellt.
Prüfen
Sicherheitshinweis:
Bei heißem motor vor dem öffnen des deckels einen dicken lappen auflegen, um verbrühungen durch heiße kühlflüssigkeit oder dampf zu vermeiden. Deckel nur bei kühlmitteltemperaturen unter +90 c abnehmen.

Fällt der druck ab, undichte stelle suchen und beseitigen.
Die undichte stelle lässt sich an ausfließendem kühlmittel erkennen. Hinweis: die abbildung zeigt nicht den ausgleichbehälter des punto.
Überdruckventil prüfen
Das überdruckventil sitzt im deckel des ausgleichbehälters.
Es hat die aufgabe, ab einem bestimmten überdruck das kühlsystem zu öffnen und das überschüssige kühlmittel abfließen zu lassen.

Hinweis: die abbildung zeigt nicht den verschlussdeckel des punto.
Hinweis: auf dem verschlussdeckel ist der jeweilige öffnungsdruck des überdruckventils angegeben. Je nach modell steht dort der öffnungsdruck in bar oder in "bar mal 100". Wenn beispielsweise auf dem deckel "140" steht, liegt der öffnungsdruck des überdruckventils bei 1,4 bar.

Auffüllen
Achtung: falls bei der prüfung des kühlmittelstandes bei kaltem motor die max-marke überschritten wird, überschüssiges kühlmittel absaugen.
Speziell 1,8-1-16v
Speziell 1,9-l-jtd

Tür einstellen
Hinweis: beschrieben wird der einstellvorgang an vorderund
hintertür. Die nummern in den arbeitsschritten beziehen
sich sowohl auf abbildung t-48430 als auch auf abbildung
t-48431.
Fugenmaße
Fugenmaße der tür zu den umliegenden bauteilen prüfen. ...
Ein-/ausschaltung
(funktion city)
Zum ein-/ausschalten der funktion drücken sie die taste
unter den bedienelementen auf dem armaturenbrett.
Die einschaltung der funktion wird angezeigt durch:
Die schrift city auf der instrumententafel (für versionen
mit multifunktionsdisplay);
&nbs ...