Ausbau





Dabei werkzeug am clip ansetzen.

Achtung: wasserabweisfolie nach abziehen immer ersetzen, da der kleber die folie danach nicht mehr sicher hält.
Einbau
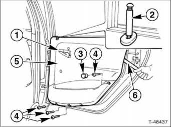
Türverkleidung hinten
Ausbau
Hinweis: der aus- und einbau erfolgt auf ähnliche weise wie an der vordertür.

Einbau
Öffnen mit der bedientaste am armaturenbrett
(Für versionen/märkte, wo vorgesehen)
Bei einigen versionen kann das schloss der heckklappe
mit der bedienung am armaturenbrett a - abb. 97 Geöffnet
werden.
Das
anbringen von gegenständen auf der
hutablage oder an der hecktü ...
Zentralverriegelung
Über die zentralverriegelung können türen und heckklappe
verriegelt werden, und zwar durch betätigen eines schlosses
oder mit der funk-fernbedienung.
Zentralverriegelung ohne funk-fernbedienung
Voraussetzung: eine vordertür oder die heckklap ...